入試解説の第3回。2025実践女子の算数です。
実践女子中の算数は難易度も分野も標準的です。計算+基礎的な一行問題を正確にこなしていけばかなり合格に近づけるでしょう。
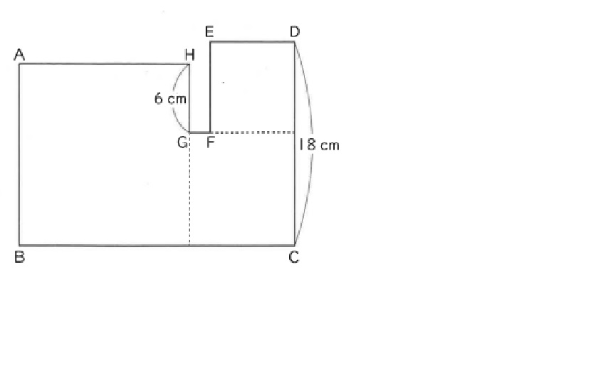
第1回 算数 大問3
下の図形は3つの正方形を組み合わせたもので、周りの長さは100cmです。

①BCの長さは何cmですか。

色を塗り分けて考えます。赤の合計は18×2=36cm、緑の合計は6×2=12cm、
全体の長さが100cmなので青の合計は、100-36-12=52cm、
よってBCは52÷2=26cm
特に中学受験独特の考え方を必要とせず、教科書内容の応用問題といった感じですね。
②この図形の面積は何㎠ですか。
もう一度塗り分けます。

3つのうち、赤い正方形の一辺の長さを①とします。
青い正方形の一辺はHGの長さを足して①+6cmと表せます。
よってBCの長さは①+6cm+①となり、②+6cm=26cm
これを解いて①=10cmとなります。赤い正方形の一辺は10cm。
青い正方形の一辺は16cm。
あとは緑の正方形の一辺ですが、DC=18cmなので18-10=8cm。
したがって3つの正方形の面積の合計は
10×10+16×16+8×8=420㎠
途中数値を①と置いて解くあたり、方程式のような考え方を必要としますが、
両辺に同じ数を足すなど、等式の性質を利用して考えることでマイナスが出ずに考えやすくなります。
算数が得意な子は、本来中学で習う方程式の計算を利用しても問題ありません。

